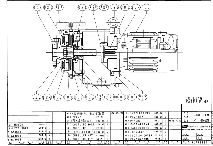
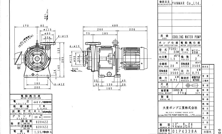
询价船舶备件—泵备件(CKQ-2505128P)询价管理员7月15日 09:33更新100 仪器仪表泰州昌宽科技船用设备船舶物料船舶配件 温馨提示:该询价订单具有时效性,询价发布2天内报价有效,若有疑问或其他问题,请在下方留言或联系客服。
请登录后查看报价内容