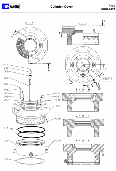
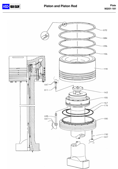
询价船舶备件—HANJUNG MAN B&W备件(CK-C20240617-03)询价管理员6月17日 10:43发布281 MAN B&W泰州昌宽科技船用设备船舶物料船舶配件 温馨提示:该询价订单具有时效性,询价发布2天内报价有效,若有疑问或其他问题,请在下方留言或联系客服。
请登录后查看报价内容