【询价】船舶备件—FO净化器增压泵(CK-J20240606-22)询价-泰州昌宽社区-报价采购-船用采购网-船舶物料采购-船务服务-一站式船用设备供应服务

询价船舶备件—FO净化器增压泵(CK-J20240606-22)询价

1d13ab98f545cf76323b09150406fd0

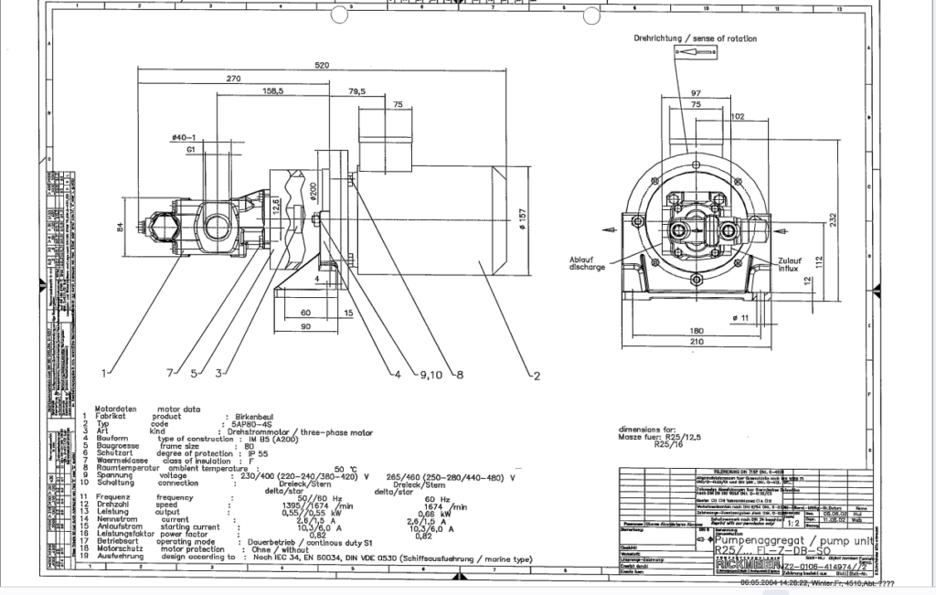
FO Purifier booster pump

e5afde1d41e3e3e9821b6f87d917679

a28a41d1386e502f2cab5e2ff568795

cfca9ccb3db4dc616d107cd03e76af5

 
21TX2B02wdc2oe_GEAFOPxurifierApprovalDrawingsFeb2009.pdf
pdf文件
5.7M
温馨提示:该询价订单具有时效性,询价发布2天内报价有效,若有疑问或其他问题,请在下方留言或联系客服。
请登录后发表评论

    请登录后查看报价内容