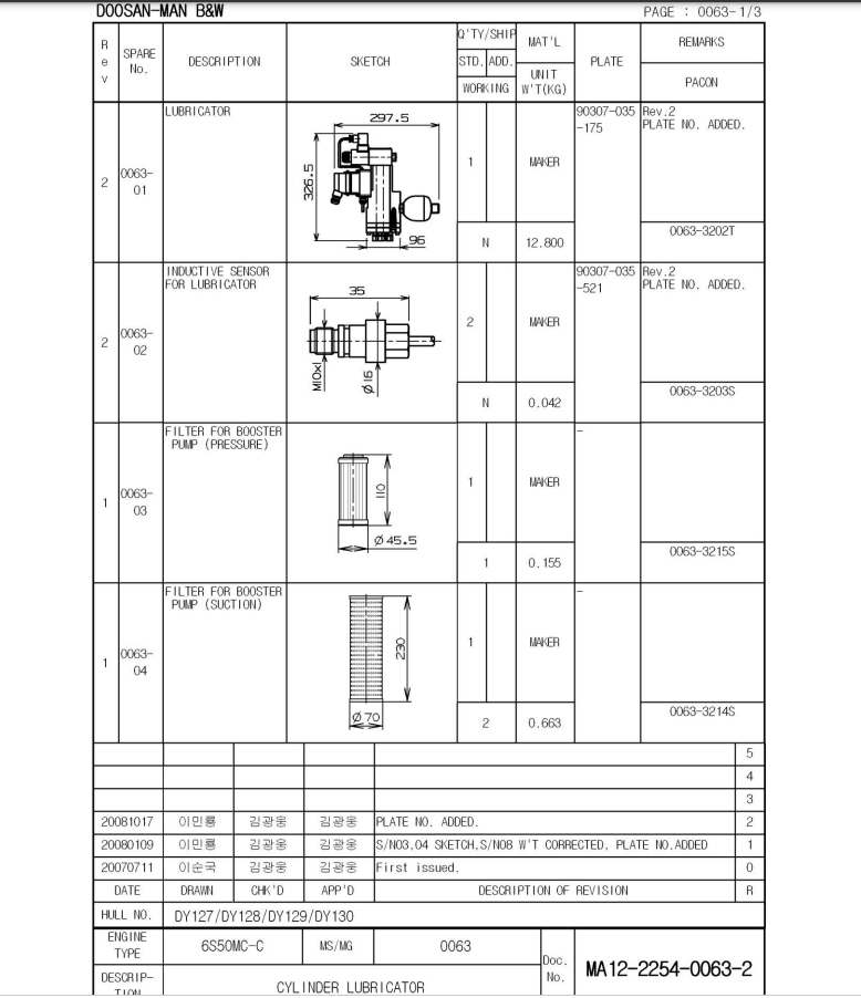
FILTER FOR BOOSTER PUMP(PRESSURE)
FILTER FOR BOOSTER PUMP(SUCTION)


温馨提示:该询价订单具有时效性,询价发布
2天内报价有效,若有疑问或其他问题,请在下方留言或联系客服。
FILTER FOR BOOSTER PUMP(PRESSURE)
FILTER FOR BOOSTER PUMP(SUCTION)


2天内报价有效,若有疑问或其他问题,请在下方留言或联系客服。
请登录后查看报价内容