|
Machinery name: |
PLATE COOLER |
Makers: |
TRANTER PHE AB |
|||||
|
Machinery type: |
PLATE COOLER |
Serial No.: |
|
|||||
|
Approximately when required: |
URGENT |
|||||||
|
|
|
|||||||
|
Item |
Description / Items required |
CAT No. |
ROB (PCS) |
Quantity required (PCS) |
||||
|
|
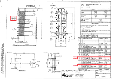
Main Engine Jacket Cooler GC-51N (Plate Type) Serial No.:1913634/4 |
|
|
|
||||
|
1 |
GASKET FOR FIRST PLATE |
10 |
0 |
2 |
||||
|
2 |
PLATE GASKET FULL THICKNESS |
10 |
0 |
70 |
||||
|
3 |
HEAT TRANSFER PLATE |
2 |
0 |
3 |
||||
|
|
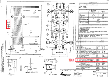
S/T LO Cooler GX-12N (Plate Type) Serial No.:1913634/5 |
|
|
|
||||
|
4 |
PLATE GASKET HALF THICKNESS |
15 |
|
4 |
||||
|
5 |
PLATE GASKET FULL THICKNESS |
10 |
|
22 |
||||
|
|
|
|
|
|||||




温馨提示:该询价订单具有时效性,询价发布
2天内报价有效,若有疑问或其他问题,请在下方留言或联系客服。
请登录后查看报价内容