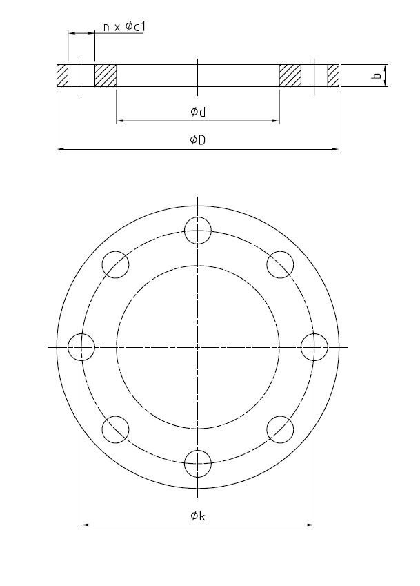
询价船舶备件—法兰(CK-C20240411-04)询价钱易楚4月11日 10:07发布101 泰州昌宽科技船务服务船用设备船舶物料船舶配件 温馨提示:该询价订单具有时效性,询价发布2天内报价有效,若有疑问或其他问题,请在下方留言或联系客服。
请登录后查看报价内容