
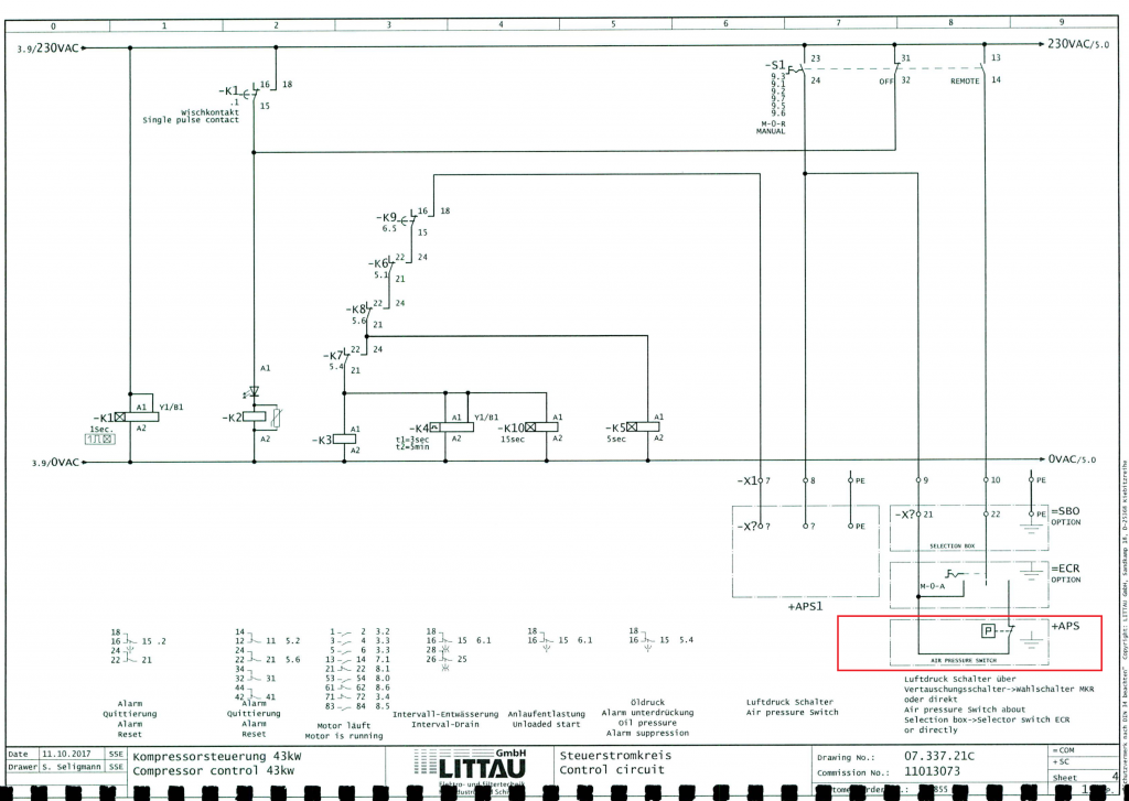
Main Air Compressor pressure switch FF4-32 GL DAH
partnumber :1010025
Drawing No: LITTAU, 07.337.21c, page 4
Pressure switch type FF4-32 GL DAH, range 2 – 32 Bar. Part No 1010025Maker:TlVAL Sensors, Germany.












温馨提示:该询价订单具有时效性,询价发布
2天内报价有效,若有疑问或其他问题,请在下方留言或联系客服。
请登录后查看报价内容