【询价】船舶备件—主稳压器(CK-L20240328-01)询价-泰州昌宽社区-报价采购-船用采购网-船舶物料采购-船务服务-一站式船用设备供应服务

询价船舶备件—主稳压器(CK-L20240328-01)询价

image

 
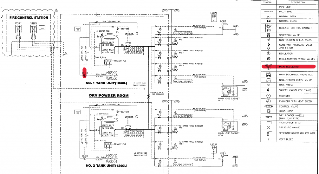
DCP-Main-regulator1.pdf
pdf文件
22.1K
 
IO-25-DRY-CHEMICAL-POWDER-FIRE-EXTINGUISH-SYSTEM-121.pdf
pdf文件
56.6K

 

温馨提示:该询价订单具有时效性,询价发布2天内报价有效,若有疑问或其他问题,请在下方留言或联系客服。
请登录后发表评论

    请登录后查看报价内容