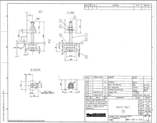
询价船舶备件—舱盖把手/重型螺栓(CK-R20240311-04)询价钱易楚3月11日 10:38发布40 快速关闭的舱盖把手 舱盖的重型螺栓 泰州昌宽科技船务服务船用设备船舶物料船舶配件 温馨提示:该询价订单具有时效性,询价发布2天内报价有效,若有疑问或其他问题,请在下方留言或联系客服。
请登录后查看报价内容