
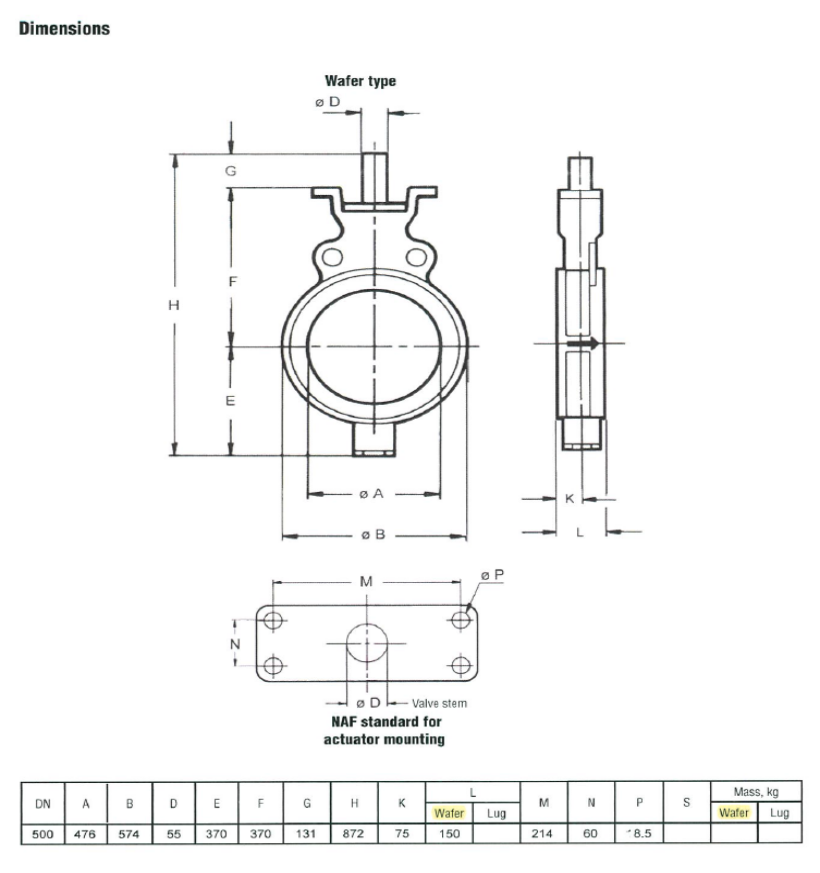
VALVE,BUTTERFLY,500 DN,NAF STD FOR ACTUATOR
MOUNTING
FOR EXHAUST VALVE FOR COPT#3


温馨提示:该询价订单具有时效性,询价发布
2天内报价有效,若有疑问或其他问题,请在下方留言或联系客服。

VALVE,BUTTERFLY,500 DN,NAF STD FOR ACTUATOR
MOUNTING
FOR EXHAUST VALVE FOR COPT#3


2天内报价有效,若有疑问或其他问题,请在下方留言或联系客服。
请登录后查看报价内容