【询价】船舶配件—主空气压缩机备件(CK-R20231106-09)询价-泰州昌宽社区-报价采购-船用采购网-船舶物料采购-船务服务-一站式船用设备供应服务

询价船舶配件—主空气压缩机备件(CK-R20231106-09)询价

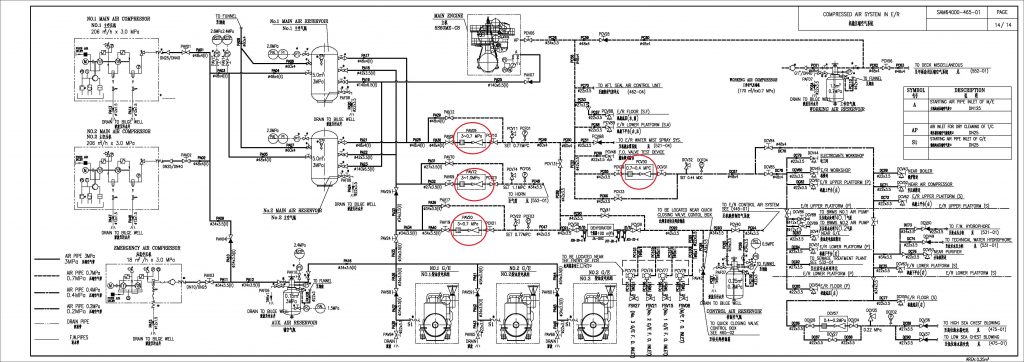
image

651941196653481ca0ea70b177536c1

 
E_QUOT_BHFT-S235080A_S2951.pdf
pdf文件
26.8K
 
HFT032311155128_1_032311193302.pdf
pdf文件
106.5K

 

温馨提示:该询价订单具有时效性,询价发布2天内报价有效,若有疑问或其他问题,请在下方留言或联系客服。
请登录后发表评论

    请登录后查看报价内容